产品详情 图片集锦
性能特点:
◆壳体采用奥氏体SUS304不锈钢材料
◆5ppm高精度低温漂军工级电阻
◆采用航空级高精度电位器
◆高防护等级防水接头,防护等级IP67
◆上壳体采用镜面抛光处理,下壳体采用高密度拉丝处理
◆采用欧式60°倾斜接线柱,方便用户的接线与调试
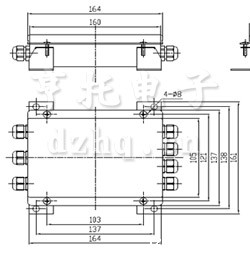
| 外形尺寸: | 接线方式: |
|
|

上一条:HT-SAS-5a模拟接线盒
下一条:HT-SAS-9a模拟接线盒
相关文章
- 2021-08-19 > 热烈庆祝米兰官网战略合作阿拉维斯竞技获得 常州国家高新区工业互联网创新发展“365”工程专项扶持资金项目
- 2019-08-03 > 上海理工大学研发出新型激光雷达感知系统,自动驾驶传感器技术出新
- 2019-08-03 > 2019年称重模块市场调查
- 2019-07-24 > 什么样的米兰体育俱乐部官网更可靠
- 2019-07-24 > 2019家庭智能传感器白皮书发布!解读国内家庭智能传感器现状
- 2019-07-24 > 杭州启用带米兰体育俱乐部官网及垃圾量记录仪的车载LETOU国际米兰官网
- 2018-12-15 > 组合式应变压力传感器
- 2018-12-14 > 米兰体育俱乐部官网应用领域
- 2018-12-13 > 拉压力传感器应用
- 2018-12-13 > 拉压力传感器特性
相关产品





