产品详情 图片集锦
主要特点
•综合精度高 •安全性好
•长期稳定性好:不锈钢焊接密封,IP68防护等级 •结构紧凑,安装尺寸兼容性好 •适用于地上衡、化工、食品、医药等行业配料称 重控制
接线方式
绿色:+激励
黑色: -:m
白色:+信号
红色:-信号
黄色:+反馈
蓝色:-反馈


额定称量
0.22t, 0.55t, l.lt, 2.2t , 9t, 13.6t, 20t
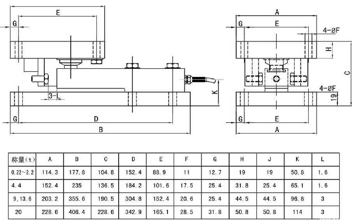
尺寸
注意:在同一方向上仅有两只模块承受冲击时,两只模块应位于秤的同侧
注:以上尺寸仅供参考,如有变动不另行通知。索取最新产品资料,请致电400-004-0519。

安装方式
上一条:HT-GWM-MY-3
下一条:没有了
相关文章
- 2021-08-19 > 热烈庆祝米兰官网战略合作阿拉维斯竞技获得 常州国家高新区工业互联网创新发展“365”工程专项扶持资金项目
- 2019-08-03 > 上海理工大学研发出新型激光雷达感知系统,自动驾驶传感器技术出新
- 2019-08-03 > 2019年称重模块市场调查
- 2019-07-24 > 什么样的米兰体育俱乐部官网更可靠
- 2019-07-24 > 2019家庭智能传感器白皮书发布!解读国内家庭智能传感器现状
- 2019-07-24 > 杭州启用带米兰体育俱乐部官网及垃圾量记录仪的车载LETOU国际米兰官网
- 2018-12-15 > 组合式应变压力传感器
- 2018-12-14 > 米兰体育俱乐部官网应用领域
- 2018-12-13 > 拉压力传感器应用
- 2018-12-13 > 拉压力传感器特性
相关产品